Category Article
Çü»ó±â¾ïÇÕ±Ý
2008-05-02

ÀÌ ¿ø°í´Â ÀϺ»¡¶ï³Ñ¨øÄÖå¡·ò¼¿¡¼­ ¹ø¿ª ÀüÀçÇÑ °ÍÀÔ´Ï´Ù.Çü»ó±â¾ïÇձݱº¸¶(ÏØØ©)´ëÇÐ_³ª°¡¾ß ÄÚ½ºÄɰ³¿äÇü»ó±â¾ïÇÕ±ÝÀº ±× À̸§ ±×´ë·Î Çü»óÀ» ±â¾ïÇÏ´Â ÇÕ±ÝÀ¸·Î, ¿­¿¡ ÀÇÇØ ¿ø·¡ ÇüÅ·Πº¹±ÍµÈ´Ù. ±× ¿¹·Î Çü»ó±â¾ïµÈ ¿ÍÀ̾ ³Ö¾îµÎ°í ±×°ÍÀ» ¸ö¿¡ ºÙÀ̸é ü¿ÂÀ¸·Î ÀÎÇØ ¿ø·¡ ÇüÅ·Πµ¹¾Æ°¡°Ô ÇÏ¿© ¿¹»Û °¡½¿À¸·Î ¸¸µé¾î ÁÖ´Â ¿©ÀÚ º¸Á¤¼Ó¿Ê µîÀÌ Àß ¾Ë·ÁÁ® ÀÖ´Ù. ¿©±â¿¡¼­´Â Çü»ó±â¾ïÇÕ±ÝÀÇ ½Ç¿ëÀûÀÎ ¸é¿¡¼­ ±âÃÊ ³»¿ëÀ» ¼³¸íÇÑ´Ù.Çü»ó±â¾ïÇÕ±Ý °³¿ä¿Í ¿ø¸®Çü»ó±â¾ïÇձݿ¡ ´ëÇØ ¼³¸íÇϱâ Àü¿¡ ¸ÕÀú º¸ÅëÀÇ °­Ã¶À» »ý°¢ÇØ º¸ÀÚ. °­Ã¶À» Àâ¾Æ´ç±â°Ô µÇ¸é ÀûÀº ÈûÀÏ °æ¿ì ¿øÀÚ°£·Â(ê«í­ÊàÕô) ¼­·Î Àâ¾Æ´ç±â´Â ÈûÀÇ ÀÛ¿ë ¹üÀ§ ³»¿¡¼­ º¯ÇüµÇ°í, ÈûÀ» Á¦°ÅÇÏ¸é ¿øÀÚ°£ °áÇÕ·Â ¶§¹®¿¡ ¿ø·¡´ë·Î µ¹¾Æ¿Â´Ù. ÀÌ ¹üÀ§¸¦ ź¼ºÇѵµ¶ó°í ºÎ¸£¸ç ź¼ºÇѵµ±îÁöÀÇ º¯Çü·üÀº 0.1~0.2% Á¤µµ´Ù. ±×·¯³ª ¿øÀÚ°£·Â ÀÌ»óÀÇ Å« ÈûÀ¸·Î Àâ¾Æ´ç±â¸é ¿øÀÚ¿Í ¿øÀÚÀÇ °áÇÕÀÌ ²÷¾îÁ® °áÁ¤¸é(45¡Æ ¹æÇâ)¿¡ ¹Ì²ô·¯ÁüÀÌ ¹ß»ýÇϰí Å« º¯ÇüÀÌ ÀϾ°Ô µÇ¾î ź¼ºº¯ÇüÀÏ ¶§¿Í´Â ´Ù¸¥ ¿øÀÚ °áÇÕ»óŰ¡ µÈ´Ù. À̰ÍÀº ¼Ò¼ºº¯Çü(á±àõܨû¡)À̸ç, ÀÌ »óŰ¡ µÇ¸é º¯ÇüµÈ °÷Àº ¿ø·¡´ë·Î µ¹¾Æ°¡Áö ¾Ê´Â´Ù. ¶ÇÇÑ °­Ã¶¿¡´Â ¿Âµµ¿¡ ÀÇÇÑ Á¶Á÷º¯È­°¡ Àִµ¥, ź¼Ò¸¦ ÇÔÀ¯ÇÑ °­Ã¶À» °í¿ÂÀ¸·Î ¿­À» ¹ß»ý½ÃÄÑ ±Þ³Ã½Ã۸é(¼ÒÀÔÇϸé) ¸¶ÅÙÀÚÀÌÆ®(Martensite)¶ó°í ºÒ¸®´Â Á¶Á÷À¸·Î º¯ÇÑ´Ù. À̰ÍÀ» »óº¯ÅÂ(ßÓܨ÷¾)¶ó°í ÇÑ´Ù.ÇÑÆí Çü»ó±â¾ïÇձݵµ ¸¶Âù°¡Áö·Î ¿Âµµ¸¦ ÀúÇϽÃŰ¸é ¿À½ºÅ׳ªÀÌÆ®(Austenite) Á¶Á÷¿¡¼­ ¸¶ÅÙÀÚÀÌÆ® Á¶Á÷À¸·Î º¯È­ÇÑ´Ù. ÀÌ ¶§ ¸¶ÅÙÀÚÀÌÆ® ¹ß»ý ¿Âµµ Ms¿¡¼­ ¿Âµµ¸¦ ´õ¿í ³·Ãß¸é ¸ðµç Á¶Á÷ÀÌ ¸¶ÅÙÀÚÀÌÆ®°¡ µÇ¾î º¯Å°¡ Á¾·áµÈ´Ù.(¸¶ÅÙÀÚÀÌÆ®ÀÇ Á¾·á ¿Âµµ¸¦ Mf¶ó°í ÇÑ´Ù)À̰Ͱú´Â ¹Ý´ë·Î ¸¶ÅÙÀÚÀÌÆ® Á¶Á÷¿¡ ÀÖ´Â ÇÕ±ÝÀ» °¡¿­ÇÏ¸é ¾î´À ÀÏÁ¤ ¿ÂµµºÎÅÍ ¿À½ºÅ׳ªÀÌÆ® Á¶Á÷À¸·Î º¯Çϴµ¥ ¿Âµµ¸¦ ´õ ³ôÀÌ¸é ¸ðµç Á¶Á÷ÀÌ ¿À½ºÅ׳ªÀÌÆ®°¡ µÈ´Ù. À̰ÍÀ» ¿ªº¯ÅÂ(æ½Ü¨÷¾)¶ó°í Çϸç, ¿À½ºÅ׳ªÀÌÆ® Á¶Á÷ÀÌ ¹ß»ýÇÏ´Â ¿Âµµ¸¦ As, Á¾·áµÇ´Â ¿Âµµ¸¦ Af¶ó°í ÇÑ´Ù. °­Ã¶ÀÇ ¸¶ÅÙÀÚÀÌÆ® Á¶Á÷Àº Ä¡¹ÐÇÏ°í ´Ü´ÜÇѵ¥ À̰ÍÀº ź¼Ò ÇÔÀ¯¿¡ ÀÇÇØ °æÈ­µÈ °ÍÀ̸ç, ºñ°­(ު˼)±Ý¼ÓÀÇ °æ¿ì ¸¶ÅÙÀÚÀÌÆ® Á¶Á÷ÀÌ ¹«¸£¹Ç·Î Çü»ó±â¾ïÇձݵµ ¿ª½Ã ¹«¸£´Ù.ÀÌ ¹«¸¥ ¸¶ÅÙÀÚÀÌÆ®»óÀº ½ÖÁ¤(äªïÜ)À» ÇÔÀ¯ÇÑ ¸¶ÅÙÀÚÀÌÆ®°¡ µÇ°í ½ÖÁ¤°è¸éÀº ¹Ì²ô·¯Áö±â ½±±â ¶§¹®¿¡, ¸¸ÀÏ Àâ¾Æ´ç°åÀ» °æ¿ì 45¡Æ¹æÇâÀ¸·Î ¹Ì²ô·¯ÁüÀÌ ¹ß»ýÇϹǷΠÇÏÁßÀ» ¾ø¾Ø µÚ¿¡µµ Å« º¯ÇüÀÌ ¿µ±¸ÀûÀ¸·Î ³²°Ô µÈ´Ù. Áï, ¸¶ÅÙÀÚÀÌÆ® ÇüűîÁö ³Ã°¢½ÃŲ Çü»ó±â¾ïÇÕ±ÝÀ» º¯Çü½ÃŰ¸é º¯ÇüÀÌ ³²°Ô µÇ´Â °ÍÀÌ´Ù. ½ÖÁ¤°è¸é¿¡¼­ º¯ÇüÀº ¿ø·¡ÀÇ ¿øÀÚ °£ °áÇÕÀ» À¯ÁöÇÑ ¸ð½À ±×´ë·Î Å©°Ô º¯ÇüµÉ ¼ö Àִٴ Ư¡ÀÌ ÀÖ´Ù. µû¶ó¼­ ÀÌ·± »óÅÂÀÇ ÇÕ±ÝÀ» AsÁ¡ ÀÌ»óÀÇ ¿Âµµ·Î °¡¿­ÇÏ¿© ¿ªº¯Å½Ã۸é, Á¶Á÷ÀÌ ¿À½ºÅ׳ªÀÌÆ®·Î º¯ÇüµÇ±â ¶§¹®¿¡ ¿À½ºÅ׳ªÀÌÆ®¿¡¼­ Çü»ó(¿ø·¡ÀÇ Çü»ó)À¸·Î º¹±ÍµÈ´Ù. Çü»ó±â¾ïÇÕ±ÝÀ» »ç¿ëÇÏ·Á¸é °í¿Â¿¡¼­ Çü»óÀ» ÀÌ·ç°í(¿À½ºÅ׳ªÀÌÆ® Á¶Á÷) MsÁ¡ ÀÌÇÏÀÇ ¿Âµµ¿¡¼­ »ç¿ëÇÏ¿© º¯Çü½Ã۸ç, ¿ø·¡ Çü»óÀ¸·Î µÇµ¹¸®°í ½ÍÀ» ¶§´Â AÁ¡ ÀÌ»óÀÇ ¿Âµµ·Î °¡¿­ÇÏ¸é µÈ´Ù.°³¹ß ÁßÀÎ ÁÖ(ñ«)ÇÕ±ÝÀÇ Á¾·ù ¹× Ư¼ºÇü»ó±â¾ïÀÇ ¼ºÁúÀ» °¡Áø ÇÕ±ÝÀ¸·Î´Â ±Ý - Ä«µå¹Å ÇÕ±Ý, Àº - Ä«µå¹Å ÇÕ±Ý, µ¿ - ¾Æ¿¬°è ÇÕ±Ý, µ¿ - ¾Ë·ç¹Ì´½ ÇÕ±Ý, Ƽź - ´ÏÄÌ ÇÕ±Ý µîÀÌ ÀÖ´Ù. À̵éÀº °¢°¢ º¯Å ¿Âµµ°¡ ´Ù¸£±â ¶§¹®¿¡ º¯Å ¿Âµµ¿¡ µû¶ó ±¸ºÐÇØ¼­ »ç¿ëÇÒ ¼ö´Â ÀÖÁö¸¸, ½Ç¿ëÀû °üÁ¡¿¡¼­ º¼ ¶§ °¡Àå ÁÖ¸ñ¹Þ´Â °ÍÀº Ƽź 50, ´ÏÄÌ 50ÀÇ ´ÏƼ³î(Nitinol)À̶ó°í ºÒ¸®´Â ÇÕ±ÝÀÌ´Ù. ÀÌ ÇÕ±ÝÀº Ƽź ¿øÀÚ 50°³¿Í ´ÏÄÌ ¿øÀÚ 50°³ÀÇ ºñÀ²·Î È¥ÇÕÇÑ ÇÕ±ÝÀÌ¸ç ¿©·¯ °¡Áö Ư¡À» °¡Áø´Ù.

[±×¸² 1] Çü»ó±â¾ïÇÕ±ÝÀÇ ÀÀ·Â°ú º¯Çü °ü°è¸ÕÀú º¯ÅÂÁ¡Àº 40¡É ÀüÈÄÀ̱⠶§¹®¿¡ ½Ç¿Â¿¡¼­´Â ¸¶ÅÙÀÚÀÌÆ® ÇüÅ·Î, ¼ÕÀ¸·Î ±¸ºÎ¸± ¼ö ÀÖÀ» ¸¸Å­ ¹«¸£´Ù. °­µµ´Â 60~75§¸f/§±·Î »ó´çÈ÷ Å©°í ¹Ðµµµµ °­Ã¶º¸´Ù ÈξÀ À۱⠶§¹®¿¡, °­Ã¶¿¡ ºñÇØ °­ÇÏ°í ¹«¸£´Ù´Â Ư¡ÀÌ ÀÖ´Ù. Çü»ó±â¾ïÇձݿ¡¼­ °¡Àå Áß¿äÇÑ Á¡Àº Çü»óȸº¹·ÂÀÌ´Ù. ´ÏƼ³îÀº <±×¸² 1>°ú °°ÀÌ ½Ç¿Â¿¡¼­ Àâ¾Æ´ç±â¸é ½ÖÁ¤ ¸¶ÅÙÀÚÀÌÆ®»óÀÌ ´Ã¾î³ª°Ô µÇ°í ¶Ç ´Ù¸¥ ¸¶ÅÙÀÚÀÌÆ® »óÀ¸·Î Àç¹è¿­µÈ´Ù. ÀÌ ¶§ 0-a-b-c¿Í °°Àº °æ·Î¸¦ µû¶ó c·Î ¶³¾îÁö¸é 0c¿¡¼­ÀÇ º¯ÇüÀÌ ¿µ±¸ÀûÀ¸·Î ³²´Â´Ù. ÀÌ·± º¯ÇüÀº ´Ü¼øÈ÷ Àâ¾Æ´ç±æ ¶§¸¸ ÀϾ´Â °ÍÀÌ ¾Æ´Ï´Ù. ±¸ºÎ¸®¸é ±ÁÀº »óŰ¡ µÈ´Ù. ÀÌ·± »óÅ¿¡¼­ ¿ªº¯Å ¿Âµµ±îÁö °¡¿­ÇÏ¸é ¸¶ÅÙÀÚÀÌÆ® Á¶Á÷ÀÌ Àû¾îÁ® ¿À½ºÅ׳ªÀÌÆ® Á¶Á÷À¸·Î º¯ÇÏ°Ô µÈ´Ù. AfÁ¡ ¿Âµµ¿¡¼­ ¸¶ÅÙÀÚÀÌÆ®´Â ¿ÏÀüÈ÷ ¼Ò½ÇµÇ¾î ¿À½ºÅ׳ªÀÌÆ®°¡ µÈ´Ù. ÀÌ ¶§ ¿À½ºÅ׳ªÀÌÆ®·Î º¹±ÍÇÒ ¶§ÀÇ ÀÀ·Â°ú º¯ÇüÀÇ °ü°è´Â <±×¸² 1> (c-1-2-0)°¡ µÇ¾î, Çü»óÀ» ȸº¹ÇÒ ¶§ÀÇ ÈûÀº ¸¶ÅÙÀÚÀÌÆ®·Î º¯ÇüÇÏ´Â Èû(0-a-b-c)º¸´Ù ´õ Ä¿Áø´Ù´Â °ÍÀÌ Æ¯Â¡ÀÌ´Ù.ȸº¹·ÂÀº ÀÏÁ¤ÇÏÁö´Â ¾Ê°í º¯Çü°ú °¡¿­ ÇÁ·Î¼¼½º¿¡ ÀÇÁ¸ÇÏ¿©, Ãʱ⠺¯ÇüÀÌ Å¬¼ö·Ï ȸº¹·Âµµ Ä¿Áö°í °¡¿­ ¼Óµµ°¡ Ä¿Áú¼ö·Ï ȸº¹·ÂÀÌ Å©´Ù´Â Ư¡ÀÌ ÀÖ´Ù. ±×·¯³ª º¯Çü·®À» Å©°Ô Çϸé ȸº¹·®ÀÌ ¿ÏÀüÇØÁöÁö ¾ÊÀ» »Ó¸¸ ¾Æ´Ï¶ó ¹Ýº¹¿¡ ÀÇÇÑ ³»±¸¼ºµµ ³ªºüÁö±â ¶§¹®¿¡ Ÿ´ç º¯Çü·®À¸·Î ¾ïÁ¦ÇØ µÑ Çʿ䰡 ÀÖ´Ù.

[±×¸² 2] ´ÏƼ³î ÀúÇ׺¯È­Çü»ó±â¾ïÇÕ±ÝÀº »óº¯Å¿¡ ÀÇÇØ Àü±âÀû ¹× ÀÚ±âÀû ¼ºÁúµµ ¹Ù²î°Ô µÈ´Ù. <±×¸² 2>´Â ´ÏƼ³î Àü±âÀúÇ× º¯È­¸¦ ³ªÅ¸³½ °ÍÀÌ´Ù. ±×¸²¿¡¼­ Àü±âÀúÇ×Àº ¿À½ºÅ׳ªÀÌÆ® Á¶Á÷¿¡¼­´Â ¿Âµµ¿Í ÇÔ²² Áõ°¡ÇÑ´Ù. ±×·¯³ª ³Ã°¢ ½Ã¿¡´Â MsÁ¡ºÎÅÍ ÀúÇ×ÀÌ ±Þ°ÝÇÏ°Ô Ä¿Áö°Ô µÇ¾î Á¤Á¡¿¡ À̸¥ ÈÄ °¨¼ÒÇÑ´Ù. ÀÌ ¼ºÁúÀ» ÀÌ¿ëÇÏ¿© ÇÕ±ÝÀÇ º¯ÅÂÁ¡À» °èÃøÇÒ ¼ö ÀÖÁö¸¸, Çü»ó±â¾ïÇÕ±ÝÀ» ¾×Ãß¿¡ÀÌÅÍ(Actuator)·Î »ç¿ëÇÏ´Â °æ¿ì¿¡´Â ¾×Ãß¿¡ÀÌÅ͸¦ ¼¾¼­·Îµµ ÇÒ ¼ö Àֱ⠶§¹®¿¡ ¼¾¼­·¹½º(Sensor-Less) Á¦¾î°¡ °¡´ÉÇØÁø´Ù.

[±×¸² 3] ´ÏƼ³î ÀÚÈ­º¯È­ÇÑÆí ÀÚ±âÆ¯¼º¿¡ ´ëÇØ¼­´Â <±×¸² 3>°ú °°Àº ¼ºÁú ¶§¹®¿¡ °¡¿­ ½Ã(¿À½ºÅ׳ªÀÌÆ®)¿Í ³Ã°¢ ½Ã(¸¶ÅÙÀÚÀÌÆ®)·Î ÀÌ·Â ¼ºÁúÀÌ Á¸ÀçÇÑ´Ù.ÀÀ¿ë»ó ¹®Á¦Á¡°ú ÀÀ¿ë ºÐ¾ßÁö±Ý±îÁö ¼³¸íÇßµíÀÌ Çü»ó±â¾ïÇÕ±ÝÀº ¿­¿¡ ÀÇÇØ º¯ÇüµÇ±â ¶§¹®¿¡, ÀÚµ¿ÀûÀ¸·Î ¿Âµµ¸¦ °ËÁöÇÏ¿© º¯Çü½ÃŰ´Â ¼¾¼­¿Í ¾×Ãß¿¡ÀÌÅÍÀÇ µÎ °¡Áö ±â´ÉÀÌ ÀÖ´Ù. ±×·¯³ª º¯Å ½ÃÀÛ¿¡¼­ºÎÅÍ Á¾·á±îÁöÀÇ ¿Âµµ¸¦ ¿¬¼ÓÀûÀ¸·Î Á¤È®ÇÏ°Ô Á¦¾îÇÏ´Â °ÍÀº ¾î·Æ±â ¶§¹®¿¡ ¿Â¿ÀÇÁ(On-Off) Á¦¾î·Î ÀÌ¿ëµÈ´Ù. ¶ÇÇÑ °¡¿­ ½Ã¿¡´Â ºñ±³Àû ºü¸£°Ô ÀÀ´äÇÏÁö¸¸ ³Ã°¢Àº Ưº°ÇÑ ³Ã°¢À» ÇàÇÏÁö ¾Ê´Â ÇÑ ´À¸®±â ¶§¹®¿¡ ÀÀ´ä¼ºÀº ÀüÀÚÁ¦¾î µî°ú ºñ±³ÇÏ¸é »ó´çÈ÷ ´À¸®´Ù´Â °áÁ¡ÀÌ ÀÖ´Ù. ÇÏÁö¸¸ ¾×Ãß¿¡ÀÌÅÍ´Â ÄÞÆÑÆ®¡¤Àú·ÅÇÑ °¡°Ý¡¤°­·Â¡¤°£´Ü Á¦¾î(¹«Á¦¾î¿¡¼­µµ ÀÛµ¿) µî°ú °°Àº ÀÌÁ¡ÀÌ Àֱ⠶§¹®¿¡ Ư¼ºÀ» »ì¸° ÀÀ¿ëÀÌ ±â´ëµÈ´Ù. ¶ÇÇÑ ¿Âµµ¸¦ ³ô¿´À» ¶§ º¯ÇüµÇ°í ³»¸° °æ¿ì¿¡´Â ¹Ý´ëÂÊÀ¸·Î º¯ÇüµÇ´Â Àü¹æÀ§ Çü»ó±â¾ïÇձݵµ °³¹ß ÁßÀε¥, º¸Åë Çü»ó±â¾ïÇձݿ¡¼­´Â Çü»ó ȸº¹ÀÌ ÇÑ ¹æÇâ(¿ªº¯Å½ø¸)À̱⠶§¹®¿¡ Àú¿Â ½Ã¿¡´Â ¿Ü·ÂÀ» ÁÖÁö ¾ÊÀ¸¸é º¯ÇüÇÏÁö ¾Ê´Â´Ù. ¸¸¾à Àú¿Â ½Ã¿¡ º¯ÇüÀÌ ÇÊ¿äÇÑ °æ¿ì¿¡´Â Æò¹üÇÑ ½ºÇÁ¸µ µî(¿ë¼öö)°ú Á¶ÇÕÇÏ¿© ½ºÇÁ¸µÀÇ È¸º¹·ÂÀ¸·Î ÇÊ¿äÇÑ º¯ÇüÀ» ÁÙ Çʿ䰡 ÀÖ´Ù.È÷Æ® ¿£ÁøÀ» ºñ·ÔÇÑ ¸¹Àº ±â±â·Î Çü»ó±â¾ïÇÕ±ÝÀ» ÀÀ¿ëÇϱâ À§ÇÑ ³ë·ÂÀÌ °è¼ÓµÇ¾î ¿ÔÁö¸¸, È¿À² µîÀÇ ¸éÀ¸·Î º¼ ¶§ Áö±Ý ´çÀå ½Ç¿ëÈ­ÇÏ´Â °ÍÀº ¾î·Æ´Ù. ´ÙÀ½¿¡ ½Ç¿ëÀûÀÎ °üÁ¡¿¡¼­ Çü»ó±â¾ïÇÕ±ÝÀ» ÀÀ¿ëÇÑ ¸î °¡Áö ¿¹¸¦ ¼Ò°³ÇÑ´Ù.1. ¿­°¨ÁöÆÇ ÀÀ¿ë

[±×¸² 4] ¿­°¨ÁöÆÇ¿¡ÀÇ ÀÀ¿ëÇü»ó±â¾ïÇձݼ±À» ÄÚÀÏ ÇüÅ·Π°¨Àº ½ºÇÁ¸µÀ» ¸¸µé¾î ÆÇÀ» ºÙÀÌ°í °Å±â¿¡ ¿ë¼ööÀ» ºÙ¿© °¡¿­ ½Ã(¿ªº¯Å ½Ã)¿¡ ÆÇÀÌ ¿­¸®°Ô ÇØ µÎ¸é, Áõ±â°¡ ¹ß»ýÇÏ´Â ¿Âµµ ÀÌ»óÀÌ µÉ ¶§ Áõ±â¸¦ ¹ÛÀ¸·Î ³»º¸³¾ ¼ö ÀÖ°Ô µÈ´Ù.(<±×¸² 4> (a) ÂüÁ¶) À̰ÍÀº ¹ä¼Ü¿¡¼­ ¿©ºÐÀÇ Áõ±â¸¦ ³¾ ¶§³ª ¾ÈÀüÆÇÀ¸·Îµµ »ç¿ëµÈ´Ù. ¶Ç ¼öÀü ±Ý±¸(â©îû ÑÑÎý)¿¡¼­ Çü»ó±â¾ï ½ºÇÁ¸µÀÌ ¼öÁõ±â¿Í ¹°ÀÇ È¥ÇÕºñ¸¦ Á¶ÀýÇÏ¿© ÃâÅÁ(õó÷·) Ãʱ⠿µµ º¯È­¸¦ ¾ïÁ¦Çϰųª ÇÏ´Â µ¥ ÀÌ¿ëµÈ´Ù.(<±×¸² 4> (b) ÂüÁ¶) 2. ¿¡¾îÄÁ dzÇâ º¯È¯

[±×¸² 5] ¿¡¾îÄÁ dzÇâ º¯È¯<±×¸² 5>´Â ¿¡¾îÄÁÀÇ Ç³Çâ º¯È¯¿¡ Çü»ó±â¾ïÇÕ±ÝÀ» ÀÌ¿ëÇÑ ¿¹¸¦ ³ªÅ¸³½ °ÍÀÌ´Ù. ³Ã¹æ ½Ã¿¡´Â À§¿¡¼­, ¿Â¹æ ½Ã¿¡´Â ¾Æ·¡¿¡¼­ Çü»ó±â¾ï ½ºÇÁ¸µÀÌ Ç³ÇâÀ» ¹Ù²ã ³ª¿À°Ô ÇÑ´Ù.3. ÀÚµ¿ ¿Âµµ Á¶ÀýÀåÄ¡ ÀÀ¿ë

[±×¸² 6] ÀÚµ¿ ¿Âµµ Á¶ÀýÀåÄ¡¿­À» °¨ÁöÇÏ¿© Àü¿øÀ» ¿Â¿ÀÇÁ(On-Off)ÇÏ´Â ½ºÀ§Ä¡·Î´Â ÀϹÝÀûÀ¸·Î <±×¸² 6> (a)ÀÇ ¹ÙÀ̸ÞÅ»(Bimetal)ÀÌ »ç¿ëµÈ´Ù. ¹ÙÀ̸ÞÅ»Àº ÆØÃ¢·üÀÌ ´Ù¸¥ µÎ °³ÀÇ ±Ý¼ÓÀ» ¼­·Î ºÙ¿© ¹Ù´ÃÀ» ¸¸µé°í ¿ÜÃø°ú ³»Ãø ÆØÃ¢·üÀÇ Â÷ÀÌ·Î ¹Ù´ÃÀ» º¯Çü½ÃÄÑ Á¢Á¡À» °³ÆóÇÏ´Â °ÍÀ¸·Î, ¹Ù´ÃÀÇ º¯ÇüÀº ¿Âµµ¿¡ °üÇØ ¿¬¼ÓÀûÀÌ´Ù. µû¶ó¼­ ¿Âµµ¿¡ ÀÇÇØ¼­ Á¢Á¡°£ °Å¸®°¡ Á¼ÇôÁ® ¹æÀüÀ» ÇàÇϰųª Áøµ¿¿¡ ÀÇÇØ Á¢Á¡°³Æó°¡ ÀÌ·ç¾îÁú ¿ì·Á°¡ ÀÖ¾ú´Ù. ±×·¯³ª <±×¸² 6> (b)ÀÇ Çü»ó±â¾ï ½ºÀ§Ä¡¿¡¼­´Â º¯ÅÂÁ¡À» °æ°è·Î ºÒ¿¬¼ÓÀûÀ¸·Î Á¢Á¡°³Æó¸¦ ÇàÇϱ⠶§¹®¿¡, Á¢Á¡ °³µµ(ËÒÓø)°¡ Ç×»ó Å©°í ¶Ç Á¢Á¡À» ´ÝÀ» ¶§ ¿ÏÀüÈ÷ Á¢Á¡ÀÌ Á¢ÃËÇϱ⠶§¹®¿¡ ÀÌ·± ¹®Á¦Á¡ÀÌ ¾ø´Ù.4. Çü»óÁ¦¾î

[±×¸² 7] Ç¥¸é¿¡ Çü»ó±â¾ï¼±À» ºÙÀÎ À¯¿¬ÇÑ ¹Ù´Ã¿ìÁÖ°ø°£¿¡¼­ ÀÌ¿ëµÇ´Â ±¸Á¶¹°Àº ±× Çö»óÀ» Á¦¾îÇÒ Çʿ䰡 ÀÖ´Â °æ¿ìµµ ÀÖ´Ù. <±×¸² 7>Àº Çü»ó±â¾ïÇձݼ±À» À¯¿¬ÇÑ ¹Ù´Ã Ç¥¸é¿¡ ´Ù¼ö ºÙ¿©³õ°í ¹Ù´ÃÀÇ º¯Çü Çü»ó¿¡ µû¶ó ¼±À» ¼±ÅÃÇÏ¿© Àü·ù¸¦ Àΰ¡½ÃŰ´Â °ÍÀ¸·Î, Ư¼öÇÑ Çü»óÀ¸·Î ¹Ù´ÃÀ» º¯Çü½ÃŰ´Â ¹æ¹ýÀ» ³ªÅ¸³½ °ÍÀÌ´Ù.5. ºÎǰ°áÇÕ ÀÀ¿ë

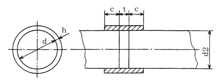
[±×¸² 8] Çü»ó±â¾ïÇÕ±Ý Á¶ÀÎÆ®¿¡ ÀÇÇÑ ÆÄÀÌÇÁ Á¢¼Ó¿øÀÚ·Â Ç÷£Æ®³ª ¿ìÁÖ°ø°£¿¡¼­´Â ¹è°üÀÌ ¸¹ÀÌ ÀÌ¿ëµÇ´Âµ¥ °áÇÕÀ» À§ÇèÇÑ Àå¼Ò¿¡¼­ ÇÒ °æ¿ì¿¡´Â ±× °áÇÕ °úÁ¤ÀÌ °£´ÜÇØ¾ß ÇÑ´Ù. ÀÌ °æ¿ì »ç¿ë ½Ã ¿Âµµ°¡ ¿À½ºÅ׳ªÀÌÆ® º¯Å ÀÌ»óÀÌ µÇµµ·Ï ÇÑ °£´ÜÇÑ Çü»ó±â¾ïÇÕ±Ý Á¶ÀÎÆ®·Î ÆÄÀÌÇÁ¸¦ °áÇÕÇÒ ¼ö ÀÖ´Ù. (<±×¸² 8> ÂüÁ¶)¶ÇÇÑ ½ºÇÁ¸µ¿Í¼Å(Spring Lock Washer)¸¦ Çü»ó±â¾ïÇÕ±ÝÀ¸·Î ¸¸µé¾î, °¡¿­ ½Ã¿¡ ÆØÃ¢½ÃÄÑ º¼Æ®¿¡¼­ ¶¼¾î³¾ ¼ö ÀÖ´Â ¿ªÇØÃ¼(æ¶ú°ô÷) ³ª»çµµ °³¹ß ÁßÀÌ´Ù.6. Çü»ó±â¾ï ½ºÇÁ¸µ ÁöÁö¿¡ ÀÇÇÑ Ãà °øÁø Ãß¿ùÃàÀ» °í¼Ó ȸÀü½Ãų ¶§¿¡´Â ÃàÀÌ °¡Áø ¸î °³ÀÇ °íÀ¯ Áøµ¿¼ö¸¦ ³Ñ°Ü¾ß ÇÒ Çʿ䰡 ÀÖ´Ù. °øÁø Áøµ¿¼ö´Â ÁøÆøÀÌ Å©±â ¶§¹®¿¡ °øÁøÀ» ³Ñ±æ ¶§¿¡´Â °¡¼ÓÀ» Å©°Ô Çϱâ À§ÇÑ °­·ÂÇÑ ¸ðÅͰ¡ ÇÊ¿äÇÏ´Ù. ÀÌ¿¡ ´ëÇØ Ãà¼ö¸¦ Çü»ó±â¾ïÇÕ±ÝÀ¸·Î ÁöÁöÇÏ¿© Ãà¼ö ÁöÁö·ÂÀÇ ¿Â¿ÀÇÁ Á¦¾î·Î °øÁø Áøµ¿¼ö¸¦ º¯È­½ÃÄÑ °øÁøÀ» Ãß¿ùÇÏ´Â ¹æ¹ýµµ ¿¬±¸ ÁßÀÌ´Ù.¸¶¹«¸®Çü»ó±â¾ïÇÕ±ÝÀº ¿©·¯ °¡Áö ÀåÁ¡ÀÌ ÀÖÁö¸¸ ¹®Á¦Á¡Àº ÀÀ´ä¼º¿¡ ÀÖ´Ù. ¿¬±¸¸¦ ÅëÇØ ÆçƼ¿¡ ¼ÒÀÚ(Peltier Device)¿ÍÀÇ Á¶ÇÕ µîÀ¸·Î ³Ã°¢ ½Ã¿¡ ´ëÇÑ ÀÀ´ä¼º °³¼±µµ ½ÃµµµÇ°í ÀÖ¾î ´õ¿í ¹ßÀüÀÌ ±â´ëµÈ´Ù.

Æ®À­ÅÍ ÆäÀ̽ººÏ

< Energy News >


Copyright(ÁÖ)Àü¿ì¹®È­»ç All rights reserved.