| ÀϺ» ÀÌīŸ 3È£±â Ãâ·Â½Ã ·¹º§ 1 È®·ü·ÐÀû ¾ÈÀüÆò°¡ ¸ðµ¨ÀÇ °³¹ß | |
| 2005-01-25 | |
|
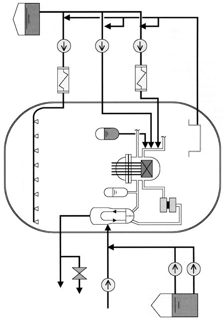
![]() °íÀ塤»ç°í µî ÄÚ¾î¼Õ»óÀÇ ¿øÀÎÀÌ µÉ¸¸ÇÑ ±âÀλç»óÀÌ ¹ß»ýÇÏ¸é ±×°ÍÀ» ¿ÏÈ¡¤¾ïÁ¦Çϱâ À§ÇØ Àú¾ÐÁÖÀÔ, Ãà¾ÐÁÖÀÔ µî ¾ÈÀü±â´ÉÀ» ÀÛµ¿½ÃŲ´Ù. À̺¥Æ® Æ®¸®´Â »ç»óÀÌ ¾ó¸¶³ª ÁøÀüµÇ¾î ÃÖÁ¾»óÅ¿¡ À̸£´Â°¡¸¦ ÀÌµé ¾ÈÀü±â´ÉÀÇ ¼º°ø/½ÇÆÐ·Î ºÐ±â½ÃÄÑ ¼öÇü»ó¿¡ Àü°³ÇÑ °ÍÀÌ´Ù. ¾ÈÀü±â´ÉÀÇ ¼º°ø/½ÇÆÐÀÇ Á¶ÇÕÀ¸·Î ÃÖÁ¾ÀûÀ¸·Î ÄÚ¾î¼Õ»ó¿¡ À̸£´ÂÁö ¾Æ´ÑÁö¸¦ °áÁ¤ÇÑ´Ù. À̺¥Æ® Æ®¸®¿¡¼ÀÇ ¾ÈÀü±â´É ¼º°ø/½ÇÆÐÀÇ ºÐ±âÈ®·ü¿¡´Â ÆúÆ® Æ®¸® ÇØ¼®À¸·Î ±¸ÇÑ ÇØ´ç ±â´ÉÀÇ ½ÇÆÐÈ®·üÀ» Àû¿ëÇÑ´Ù. ÆúÆ® Æ®¸®ÀÇ ¿¹¸¦ <±×¸² 3>¿¡ ³ªÅ¸³½´Ù. ![]() ¶Ç PSA¿¡´Â »ó¼úÇÑ Ãâ·Â½Ã ·¹º§ 1 À̿ܿ¡ °Ý³³¿ë±â°¡ ÆÄ¼ÕµÇ¾î ¹æ»ç´ÉÀÌ ¹æÃâµÇ±â±îÁö¸¦ Æò°¡ÇÏ´Â ·¹º§ 2 PSA, ¶ÇÇÑ °øÁß ÇÇ¹Ú ¸®½ºÅ©¸¦ Æò°¡¶ó´Â ·¹º§ 3 PSA°¡ ÀÖ´Ù. µµ Ç÷£Æ® Á¤Áö½ÃÀÇ PSA³ª ÁöÁø, ÈÀç µî ¿ÜÀû»ç»óÀ» ´ë»óÀ¸·Î ÇÑ Æò°¡µµ ÀÖ´Ù. ÀÌīŸ 2È£±â Ãâ·Â½Ã ·¹º§ 1 PSA ¸ðµ¨ÀÇ ÀÛ¼º ¹× Æò°¡ 1. PSA ¸ðµ¨ÀÇ ÀÛ¼º PSA ÇØ¼® ±â±¸ RISKMANÀ» ÀÌ¿ëÇØ ¾ÕÀ¸·Î ¼¼úÇÒ ¾×½Ã´øÆ® ¸Å´ÏÁö¸ÕÆ® ´ëÃ¥, ÃֽŠÇ÷£Æ® »óŸ¦ ¹Ý¿µÇÑ Ãâ·Â½Ã ·¹º§ 1 PSA ¸ðµ¨À» »õ·ÎÀÌ ±¸ÃàÇß´Ù. PSA ¸ðµ¨ ±¸Ãà¿¡¼ÀÇ ÀÛ¾÷³»¿ëÀº ´ÙÀ½°ú °°´Ù. ¡¤±âÀλç»óÀ» ¼±Á¤ÇÏ°í ±× ¹ß»ýºóµµ¸¦ ±¸ÇÑ´Ù. ¡¤±âÀλç»óÀ» ¿ÏÈÇÏ´Â Á¤»ó»ç»óÀ» ¼³Á¤ÇÑ´Ù. ¡¤°¢ Á¤»ó»ç»ó¿¡ ´ëÇØ ÆúÆ® Æ®¸®¸¦ ±¸ÃàÇÑ´Ù. ¡¤±â±â °íÀå·ü µ¥ÀÌÅÍ¿¡ ±âÃÊÇØ Ç×»ó»ç»óÀÇ ¹ß»ýÈ®·ü, Áï ¾ÈÀü±â´ÉÀÇ ¼º°ø/½ÇÆÐÀÇ ºÐ±âÈ®·üÀ» °è»êÇÑ´Ù. ¡¤À̺¥Æ® Æ®¸®¸¦ ±¸ÃàÇÏ°í ¿©±â¿¡ ±âÀλç»ó ¹ß»ýºóµµ¿Í ¾ÈÀü±â´ÉÀÇ ¼º°ø/½ÇÆÐÀÇ ºÐ±âÈ®·üÀ» Àû¿ëÇÔÀ¸·Î½á CDF¸¦ ±¸Çϱâ À§ÇÑ PSA ¸ðµ¨À» ¿Ï¼ºÇÑ´Ù. À̵é È帧À» <±×¸² 4>¿¡ ³ªÅ¸³½´Ù. ![]() ´ë À̺¥Æ® Æ®¸® / ¼Ò ÆúÆ® Æ®¸® ¹æ¹ýÀº À̺¥Æ® Æ®¸®ÀÇ ±¸¼ºÀÌ º¹ÀâÇØÁö´Â ¹Ý¸é ¼Æ÷Æ®°è¿Í »ç»ó¿ÏȰè¿ÍÀÇ °ü°è°¡ ¸íÈ®ÇØÁø´Ù. ¶Ç ÆúÆ® Æ®¸®ÀÇ ±Ô¸ð°¡ À۱⠶§¹®¿¡ ¼³ºñ°³Á¶½Ã µî¿¡¼ÀÇ ÆúÆ® Æ®¸® °»½ÅÀ» °£´ÜÇÏ°Ô ½ÃÇàÇÒ ¼ö ÀÖ´Ù´Â ÀåÁ¡µµ °®°í ÀÖ´Ù. 2. ¾×½Ã´øÆ® ¸Å´ÏÁö¸ÕÆ® ´ëÃ¥ÀÇ ¿µÇâ Æò°¡ ÀÎÀû°ú¿À³ª ¾ÈÀü°èÅëÀÇ °íÀåÀÌ ¸î ¹è·Î °úÁßÇØÁ®¼ ·Î½ÉÀÇ ´ë±Ô¸ð ¼Õ»óÀ» ÃÊ·¡ÇÏ´Â »ç°í¸¦ ½Ãºñ¾î ¾×½Ã´øÆ®¶ó°í ÇÑ´Ù. ¾×½Ã´øÆ® ¸Å´ÏÁö¸ÕÆ® ´ëÃ¥(ÀÌÇÏ, AM´ëÃ¥)À̶õ ½Ãºñ¾î ¾×½Ã´øÆ®¿¡ À̸¦ À§ÇèÀÌ ÀÖ´Â »çÅ¿¡ ÀÖ´Â °æ¿ì³ª ½ÇÁ¦·Î ½Ãºñ¾î ¾×½Ã´øÆ®°¡ ¹ß»ýÇßÀ» °æ¿ì¿¡ ´ëºñÇÑ Á¶Ä¡Àε¥, ±¸Ã¼ÀûÀ¸·Î´Â ¼³ºñ°³Á¶³ª ¼ø¼¼ º¯°æÀ» ½ÃÇàÇÑ´Ù. AM Á¤ºñ ÀüÈÄ¿¡¼ ¾ÈÀü±â´É Ä«Å×°í¸®º° CDFÀÇ »ó´ë°ª ºñ±³°á°ú¸¦ <±×¸² 5>¿¡ ³ªÅ¸³½´Ù. ¶Ç AM Á¤ºñ ÈÄ¿¡ ÅäÅÐ CDF¿¡ ´ëÇÑ ¾ÈÀü±â´É Ä«Å×°í¸®º° CDFÀÇ ±â¿©Á¤µµ¸¦ <±×¸² 6>¿¡ ³ªÅ¸³½´Ù. ¿©±â¿¡¼ ¾ÈÀü±â´É Ä«Å×°í¸®º° CDF¶õ ±âÀλç»ó ¹ß»ý¿¡¼ ÄÚ¾î¼Õ»ó¿¡ À̸£´Â »ç»óÁøÀüÀ» ±â´É»ó½ÇÇÑ ¾ÈÀü±â´É¿¡ Âø¾ÈÇØ¼ ºÐ·ùÇÏ°í ±× ºÐ·ù¸¶´Ù Áý°èÇÑ CDF¸¦ ¸»ÇÑ´Ù. AMÀÇ Á¤ºñ¿¡¼ ÅäÅÐ CDF´Â ¾à 5ÇÒ Àú°¨µÇ¾î ÀÖ´Ù(<±×¸² 5> ÂüÁ¶). ¿©±â¿¡ °¡Àå ¸¹ÀÌ ±â¿©Çϰí ÀÖ´Â ¾ÈÀü±â´É Ä«Å×°í¸®´Â ¡®ECCS Àç¼øÈ¯ ±â´É»ó½Ç¡¯ÀÇ Àú°¨ÀÌ´Ù. ¶Ç <±×¸² 6>¿¡»ç AM Á¤ºñ ÈÄÀÇ ÅäÅÐ CDF¿¡ ´ëÇØ Áö¹èÀûÀÎ °ÍÀº ÁÖ·Î ¡®ECCS Àç¼øÈ¯±â´É»ó½Ç¡¯°ú ¡®ECCS ÁÖÀÔ±â´É»ó½Ç¡¯À̶ó´Â °ÍÀ» ¾Ë ¼ö ÀÖ´Ù. AM Á¤ºñ Àü¿¡µµ ±× °æÇâÀº ¸¶Âù°¡Áö´Ù. <±×¸² 5>¿¡ ±Ù°ÅÇØ AM Á¤ºñ ÀüÈÄÀÇ CDF¸¦ ¾ÈÀü±â´É Ä«Å×°í¸®¸¶´Ù ºñ±³, °íÂûÇß´Ù. AM ´ëÃ¥¿¡ µû¸¥ CDFÀÇ Àú°¨ºñÀ²ÀÌ °¡Àå Å« °ÍÀº ¡®°Ý³³¿ë±âÀÇ Á¦¿±â´É»ó½Ç¡¯·Î¼ AM Á¤ºñ Àü¿¡ ºñÇØ ¾à 90%ÀÇ Àú°¨À» º¸¿´´Ù. ÀÌ´Â ¡®°Ý³³¿ë±â ³» ÀÚ¿¬´ë·ù ³Ã°¢¡¯À̶ó´Â AM ´ëÃ¥ÀÇ È¿°úÀÎ °ÍÀ¸·Î º¸ÀδÙ. ¡®´©Àü°³¼ÒÀÇ °Ý¸®±â´É»ó½Ç¡¯Àº ÁÖ·Î ¡®Äð´Ù¿î & ¸®¼Å¥·¹À̼ǡ¯¿¡ µû¶ó, ¶Ç ¡®¾ÈÀü±â´ÉÀÇ ¼Æ÷Æ®±â´É»ó½Ç¡¯Àº ÁÖ·Î ¡®´ëüº¸±â³Ã°¢¡¯À¸·Î Àüü ¾à 70%ÀÇ CDF Àú°¨ÀÌ º¸¿©Áø´Ù. ¡®ECCS Àç¼øÈ¯ ±â´É»ó½Ç¡¯¿¡ °üÇØ¼´Â ÁÖ·Î ¡®´ëüÀç¼øÈ¯¡¯À¸·Î CDF¸¦ ¾à 60% Àú°¨Çß´Ù. PSAÀÇ ¿øÀڷ¹ßÀü¼Ò º¸¼ö°ü¸®¿¡ ´ëÇÑ Àû¿ë ¹Ì±¹ ¿øÀڷ¹ßÀü¼Ò´Â PSAÀÇ º¸¼ö°ü¸®¿¡ ´ëÇÑ È°¿ëÀÌ ÀÌ¹Ì ½ÃÇàµÇ°í ÀÖ´Ù. ¶Ç À̷νá Àü¼úÇÑ ¹Ù¿Í °°ÀÌ °í¼³ºñ ÀÌ¿ë·üµµ ´Þ¼ºÇϰí ÀÖ´Ù. ±âº»ÀûÀÎ »ç°í´Â PSA·Î ¿øÀڷ¹ßÀü Ç÷£Æ®¸¦ ±¸¼ºÇÏ´Â °èÅ롤±â±âÀÇ ¸®½ºÅ© Á߿䵵¸¦ ±¸ÇÏ°í ±× Á߿䵵¿¡ ¸Â´Â ¸Å´ÏÁö¸ÕÆ®¸¦ ½ÃÇàÇØ ³ª°¡ÀÚ´Â °ÍÀÌ´Ù. Áï, Á߿䵵°¡ ³ôÀº °èÅ롤±â±â´Â Æø³ÐÀº º¸¼ö°ü¸®¸¦ ½ÃÇàÇϰí, °Å²Ù·Î Á߿䵵°¡ ³·Àº °Í¿¡ ´ëÇØ¼´Â Á¡°Ë°£°ÝÀ̳ª Á¡°Ë³»¿ëÀÇ Àç°í µîÀ» ½ÃÇàÇÏ·Á´Â °ÍÀÌ´Ù. ¹Ì±¹Àº Á¤±â°Ë»ç ±â°£ÀÇ ´ÜÃà°ú °°Àº ¸ñÀû¿¡¼ Ç÷£Æ®ÀÇ Á¤±â°Ë»ç Áß(°á±¹ Ç÷£Æ® Á¤Áö Áß)ÀÌ ¾Æ´Ï¶ó Ãâ·Â¿îÀü Áß¿¡ ±â±â¸¦ ´ë±âÁ¦¿ÜÇØ¼ Á¡°ËÀ» ½ÃÇàÇÏ´Â °æ¿ì°¡ ¸¹´Ù. À̸¦ ¿Â¶óÀÎ ¸ÞÀÎÆ¼³Í½º¶ó°í ÇÑ´Ù. ¹Ì±¹ÀÇ ¿øÀڷ¹ßÀü¼Ò °í°¡µ¿·üÀº ¿Â¶óÀÎ ¸ÞÀÎÆ¼³Í½ºÀÇ ½Ç½Ã¿¡ µû¸¥ È¿°ú°¡ Å« °ÍÀ̶ó°í »ý°¢µÈ´Ù. ¿Â¶óÀÎ ¸ÞÀÎÆ¼³Í½ºÀÇ ½Ç½Ã¿¡ À־ PSA¿¡ µû¸¥ ¸®½ºÅ© Æò°¡ ¹× °ü¸®°¡ ½Ç½ÃµÈ´Ù. À̵é À̿ܿ¡µµ Á¤±â°Ë»ç°øÁ¤Ã¥Á¤, ¼³ºñ°³Á¶½ÃÀÇ ¾ÈÀü¼º Æò°¡ µî¿¡ PSA°¡ Ȱ¿ëµÈ´Ù. ¶Ç ¿Â¶óÀÎ ¸ÞÀÎÆ¼³Í½º¸¦ ÇÒ °æ¿ì µî¿¡ ¸®½ºÅ© ¸ð´ÏÅÍ¿¡ µû¸¥ CDF °¨½Ãµµ ½ÃÇàµÈ´Ù. Àü·ÂÀÚÀ¯ÈÀÇ È帧 ¼Ó¿¡¼ ¿øÀڷ¹ßÀü¼Ò´Â ¾ÈÀü¡¤¾ÈÁ¤¿îÀüÀ» ÀüÁ¦·Î ÇÏ¸é¼ Á¤±â°Ë»ç±â°£ ´ÜÃà¿¡ µû¸¥ ¼³ºñÀÌ¿ë·üÀÇ Çâ»óÀ» µµ¸ðÇÑ´Ù. À̸¥¹Ù º¸¼ö°ü¸®ÀÇ ÀûÁ¤È°¡ ¿ä±¸µÇ°í ÀÖ´Ù. ±× ¹æÃ¥ÀÇ Çϳª·Î¼ Àå·¡¿¡´Â ÀϺ»¿¡¼µµ ¹Ì±¹¿¡¼ ½ÃÇàµÇ´Â °Í°ú °°Àº PSA Ȱ¿ë ÁøÀüÀÌ ±â´ëµÈ´Ù. º»°í´Â ½ÃÄÚÄíÀü·ÂÀÇ ÀÌīŸ¹ßÀü¼Ò 3È£±âÀÇ Ãâ·Â½Ã ·¹º§ 1 PSA ¸ðµ¨ÀÇ °³¹ß ¹× CDFÀÇ Æò°¡¿¡ ´ëÇØ¼ ¼¼úÇß´Ù. ¶ÇÇÑ ÁøÀüÀÌ µÎµå·¯Áø ¹Ì±¹¿¡¼ÀÇ ¿øÀڷ¹ßÀü¼Ò º¸¼ö°ü¸®¿¡ ´ëÇÑ PSA Ȱ¿ë¿¡ ´ëÇØ¼µµ °£´ÜÈ÷ ´Ù·ð´Ù. ¿ë¾îÇØ¼³ Á¤±â¾ÈÀü ¸®ºä ¾à 10³â¸¶´Ù ½ÃÇàÇÏ´Â ¿øÀڷ¹ßÀü¼ÒÀÇ ¾ÈÀü¼º¡¤½Å·Ú¼º Æò°¡ ºñ»ó¿ë ÄÚ¾î³Ã°¢°è(Emergency Core Cooling System : ECCS) ¿øÀÚ·Î ³Ã°¢¼ö »ó½Ç»ç°í°¡ ¹ß»ýÇßÀ» ¶§ ³Ã°¢¼ö¸¦ ÁÖÀÔÇØ ÄÚ¾î ¿ëÀ¶À» ¹æÁöÇÏ´Â ¼³ºñ. °Ý³³¿ë±â ½ºÇÁ·¹ÀÌ°è °Ý³³¿ë±â ³»¾ÐÀÇ »ó½Â»ç, ¹°À» ºÐ»çÇØ¼ ³Ã°¢, Àú¾Ð½ÃŰ´Â ¼³ºñ. PSA ÇØ¼®Åø RISKMAN ¹ü¿ë PSA ÇØ¼® ¼ÒÇÁÆ®¿þ¾î. ¹Ì±¹ ABS ÄÁ¼³ÆÃ»ç Á¦Ç°. °Ý³³¿ë±â ³» ÀÚ¿¬´ë·ù³Ã°¢ º¸±â³Ã°¢¼ö µîÀ» ÀÌ¿ëÇØ °Ý³³¿ë±â ¾ÈÀ» ³Ã°¢, Àú¾Ð½ÃŰ´Â AM ´ëÃ¥ Äð´Ù¿î & ¸®¼Å¥·¹ÀÌ¼Ç ´©Àü°³¼ÒÀÇ °£°Ý¿¡ ½ÇÆÐÇßÀ» ¶§, ¿øÀÚ·ÎÀú¾Ð¡¤³Ã°¢À» µµ¸ðÇÏ´Â AM ´ëÃ¥. ´ëü º¸±â³Ã°¢ º¸±â³Ã°¢¼öÀÇ ±â´É»ó½Ç½Ã, ´ë½Å °øÁ¶¿ë³Ã°¢¼ö µîÀ» ½ÃÇàÇÏ´Â AM ´ëÃ¥. ´ëüÀç¼øÈ¯ ECCS Àç¼øÈ¯ ½ÇÆÐ½Ã, ´ë½Å ¹ÙÀÌÆÐ½º ¶óÀÎÀ» ÀÌ¿ëÇÑ AM ´ëÃ¥ ¸®½ºÅ© Á߿䵵 ¾î´À °èÅ롤±â±â°¡ ±â´ÉÀ» »ó½ÇÇßÀ» ¶§, CDFÀÇ Áõ°¡¸¦ ³ªÅ¸³»´Â ÁöÇ¥ µî. ¸®½ºÅ© ¸ð´ÏÅÍ Ç÷£Æ® ¼³ºñÀÇ ¿î¿ë»óÅ¿¡ ¸Â°Ô ±× ¶§¸¶´Ù CDF µîÀ» Ç¥½ÃÇÏ´Â ÀåÄ¡.
< Energy News > |
|


